延时电路图(EDA365:常用的延时电路)

什么是延时电路?

在数字电路设计中有时需要把一个信号延迟一段时间再和另一个信号作用,典型的延迟电路是一串导向器,当然延时时间是每个导向器的延时之和。本文将简单介绍几种延时电路。

01

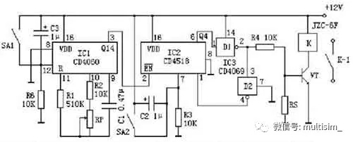
精确长延时电路图

该电路由CD4060 组成定时器的时基电路,由电路产生的定时时基脉冲,通过内部分频器分频后输出时基信号。在通过外设的分频电路分频,取得所需要的定时控制时间。通电后,时基振荡器震荡经过分频后向外输出时基信号。作为分频器的IC2 开始计数分 频。当计数到10 时,Q4 输出高电平,该高电平经D1 反相变为低电平使VT 截止,继电器 断电释放,切断被控电路工作电源。与此同时, D1 输出饿低电平经D2 反相为高电平后加 至IC2 的CP 端,使输出端输出的高电平保持。电路通电使IC1、IC2 复位后,IC2 的四个输出端,均为低电平。而Q4 输出的低电平经 D1 反相变为高电平,通过R4 使VT 导通,继电器通电吸和。这种工作状态为开机接通、定 时断开状态。

02

555构成的简易长延时电路

详细电路工作原理解析:555构成的简易长延时电路当按下按钮SB 时,12V 的电源通过电阻器Rt 向电容器Ct 充电,使得6 脚的电位不断升高,当6 脚的电位升到5 脚的电位时,电路复位定时结束。由于在5 脚串上了一个二极管VD1 使得5 脚电位上升,因此比一般接法(悬空或通过小电容接地)具有了更长时间的定时。

03

触摸延时电路图(一)

这里介绍一个简单实用的触摸延时开关电路,它具有简单、廉价、性能好等特点,很适合爱好者自行制作。电路原理:延迟开关电路见图D1—D1,SCR组成开关的主回路,BG1,BG2等组成开关的控制回路。平时,BG1,BG2均处于截止状态,SCR阻断,电灯H不亮。此时220V交流电经D1--D4整流、R3和DW使LED发光,用作夜间指示开关位置。这时流过H的电流仅2mA左右,不足使电灯H发光。需要开灯时,只有用手指摸一下电极片M,因人体泄露电流经R5,R6注入BG2的基极,BG2迅速导通。BG2集电极为低电平,BG1也随之导通,因此有触发电流经BG1注入SCR的控制极使SCR开通,电灯H就通电发光。在BG2导通瞬间,C1通过BG2的c-e极间被并联在DW的两端,因此被迅速充上约12V左右的电压。电灯点亮后,人手离开M,虽然BG2恢复截止状态但由于C1所存储的电荷通过R1向BG1发射结放电,使BG1依然保持导通状态,所以电灯继续发亮。当C1电荷基本放完后,BG1恢复截止态,SCR失去触发电流,当交流电过零时,SCR关断,电灯熄灭。开关延迟时间主要由电阻R1,R2和电容C1的数值决定,下面提供一组实验数据供大家参考。如要进一步增大延时时间,可加大C1容量。除上述主要因素外,BG1的放大倍数以及SCR的触发灵敏度对延时时间也有影响。注意:本电路与市电直接相接,在调试过程中要十分注意,以免触电。有条件的朋友,可以先用隔离变压器把市电隔离,再进行调试。电阻R6的引线要短,一头直接焊在电极片M的背面,另一头焊上一跟软线,再接到印板上的R5。采用两个高阻值电阻的目的是为了确保使用者的绝对安全。

04

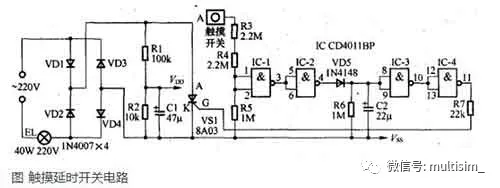
触摸延时电路图(二)

图中为触摸延时开关实验电路。它由整流二极管VD1~VD4组成全波桥式整流电路,作为集成电路工作电源,四2输入端与非门4011、单向晶闸管VS1等组成触摸开关电路。全波桥式整流电路输出高达200V脉动直流电,经过电阻器R1、R2分压,并通过电容器C1滤波,输出约13V的直流电,作为IC工作电源。在照明灯EL亮时,4011稳态工作总电流不到20μA,灯熄灭时401l电流(用50μA量程)几乎无法测出,足见CMOS集成电路的低功耗。此外,在照明灯EL点亮时,R2分压降至2V,4011仍能工作,这就是选用CMOS数字集成电路的原因。当用手触摸金属片A端时,通过降压电阻器R3、R4将感应交流电信号加在IC—1输入端,在交流电正半周时,IC-1的l、2脚为高电平,其输出端下跌为低电平,与之相连IC-2输出端4脚上升为高电平,通过开关二极管VD5向定时电容器C2充电,使得IC-3输入端上升到高电平,其输出端10脚为低电平,IC-4输出端11脚为高电平,通过电阻器R7加在单向晶闸管控制电极G上,触发VS1导通,负载照明灯EL点亮。当C2充电电荷通过定时电阻器R6逐渐放电,使电压下降到低于CMOS门开启电压时,IC-3输出端上升为高电平,IC-4输出端为低电平,单向晶闸管阻断,EL熄灭。当R6为1MΩ、C2为10μF时,触摸开关控制延时约17s,C2换成22μF时,延时增加一倍,C2为47μF延时已绰绰有余。在触摸开关电路中,R5为下拉电阻器,尽管其电阻值为1MΩ,但与非门IC-1输入端为低电平,说明CMOS数字集成电路输入阻抗非常高。四2输入端与非门4011剩余的输入端不能悬空,采用并接方式,当作非门使用。IC也可选用四2输入端或非门4001。

上一篇: 多肽修饰(圣诺生物:多肽合成和修饰的领军者,实现全产业链获高度认可)
下一篇: 伊利纯牛奶怎么样(国产十大放心奶粉品牌)

为您推荐